![]() |
|
概述
SJ-2H424D 驱动器驱动二相混合式步进电机,该驱动器采用原装进口模块,实现高频斩波,恒流 驱动,具有很强的抗干扰性、高频性能好、起动频率高、控制信号与内部信号实现光电隔离、电流可 选、结构简单、运行平稳、可靠性好、噪声小,带动 4.2A 以下所有的42、57BYG 系列步进电机。
自投放市场以来,深受用户欢迎,特别是在舞台灯光、自动化、仪表、POS 机、雕刻机、票据打印
机、工业标记打印机、半导体扩散炉等领域得到广泛应用。
SJ-2H424D 驱动器特点
1.0 供电电源直流DC18V--40V/3A。
1.1 每相最大驱动器电流为4.2 安培。
1.2 采用无过流专利技术。
1.3 采用国外进口电力电子元器件。
1.4 电机锁相电机电流自动半流。
1.5 所有输入信号都经过光电隔离。
1.6 电机的相电流为正弦波。
1.7 细分数可选。(2、4、8、16、32、64、128、256、5、10、25、50、125、250)
1.8内部跳线可改变单/双脉冲控制,出厂设置为单脉冲。
驱动器接线示意图

技术规格
符 号 | 说 明 | 最小 | 一般(典型) | 最大 | 单 位 |
Vss | 输入电压 | 18 | 24 | 40 | V |
Iss | 输入电源电流 | 0.7 | 2.7 | 4.2 | A |
Iout | 相输出电流 | 1.5 | 2.5 | 5.0 | A |
Iin | 逻辑输入电流 | 5 | 10 | 15 | mA |
Tp | 步脉冲持续时间 | 800 | μs | ||
Ts | 方向稳定时间 | 0 | ms | ||
Th | 方向保持时间 | 10 | μs | ||
Td | 开/关时间 | 20 | μs | ||
Fmax | 最大运行频率 | 8000 | Khz | ||
Famb | 环境温度 | 0 | +50 | ℃ | |
Tstg | 存储温度 | -40 | +125 | ℃ |
♦供电电源:直流 18V--40V,一般选24V/3A开关电源。
♦驱动器适配电机:42BYG、57BYG。
♦驱动电流:根据不同电机,调节驱动器使输出电流与电机相匹配,如果电机能够拖动负载可以调 节小于电机额定电流,但不能调节大于电机额定电流。
♦重量:0.4kg。
拨码开关设定
本驱动器是用驱动器上的拔盘开关来设定细分数的,根据面板的标注设定即可;请您在控制器频 率允许的情况下,尽量选用稍高细分数。具体设置方法请参考下图:OFF=1,0N=0
拔盘设置:

1、工作电流设定
SW1 | SW2 | SW3 | 输出电流 |
0 | 0 | 0 | 0.7A |
1 | 0 | 0 | 1.1A |
0 | 1 | 0 | 1.8A |
1 | 1 | 0 | 2.3A |
0 | 0 | 1 | 2.7A |
1 | 0 | 1 | 3.1A |
0 | 1 | 1 | 3.8A |
1 | 1 | 1 | 4.2A |
2、微步细分设定
SW5 | SW6 | SW7 | SW8 | 细分数 |
0 | 0 | 0 | 0 | 2 |
0 | 1 | 0 | 0 | 4 |
0 | 0 | 1 | 0 | 8 |
0 | 1 | 1 | 0 | 16 |
0 | 0 | 0 | 1 | 32 |
0 | 1 | 0 | 1 | 64 |
0 | 0 | 1 | 1 | 128 |
0 | 1 | 1 | 1 | 256 |
1 | 0 | 0 | 0 | 5 |
1 | 1 | 0 | 0 | 10 |
1 | 0 | 1 | 0 | 25 |
1 | 1 | 1 | 0 | 50 |
1 | 0 | 0 | 1 | 125 |
1 | 1 | 0 | 1 | 250 |
SW 4= 0电机锁定时不半流, SW 4 = 1电机锁定时半流,一般SW4放在OFF(1)的位置,从而保护驱动器与电机长时间工作状态下温度不高!
控制信号输入
注:输入回路上输入电流为 5mA~20 mA,一般使用输入电流 15 mA
如果输入电压超过 5V,请参照表 1,必须在信号输入端加装外接电阻 R 限流。
输入信号电压 | 外部电阻(R)阻值 |
直流 5V | 不加外部电阻 |
直流 12V | 680 欧姆 |
直流 24V | 1.8k |
◆ 输入信号参数
◆ 脉冲信号幅值: “H”┄┄4.0~5.5V, “L” ┄┄0~0.5V。
◆ 脉冲信号工作状态即占空比:50%或 50%以下。
有的用户提出我的控制系统驱动不了驱动器,这主要是驱动电流不够或极性不对,常用的正确驱动电路见:(下图 2)

接线端子说明
◆ 电源接线:VDD 直流DC18V--40V,一般选24V/4A开关电源
GND:直流电源负端(与输入信号 CP-、DIR-不共地)
◆ 指示灯: 加电后工作绿灯亮,表示正常。
◆ 电机接线:A+、A-接电机线 A 相,B+、B-接电机线 B 相。
◆ 控制信号:
◆ 脉冲(CP)+,方向(DIR)+:为输入控制信号的正端
◆脉冲(CP)-: 脉冲信号输入端(在 CP 停止施加时,即电机锁定时,要保证 CP 为高电平,使内部光耦戴止。)
◆方向(DIR)-:方向控制信号输入端(此端子加低电平,电机立即按反方向旋转。)
◆ 脱机(EN)+、脱机(EN)-:一般不接信号,如果在其两端加信号,电机无电流不工作!
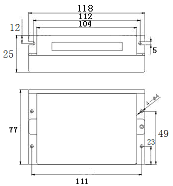
外形尺寸:请参照下图

销售原则
我公司本着“用户至上,信誉第一”的原则,协助用户解决本产品使用过程中的疑难问题。帮用户用好我们的产品,乐意为用户在使用本产品的系统设备应用上的技术方面进行探讨。本产品实行:一年包修,终身维修。
单位名称:常州双杰电子有限公司
地址:江苏省常州市武进区丁堰街道芳渚村360号
开户行:中国银行常州经济开发区支行
帐号:5235 5820 0793
税号:913204127186421258
电话:0519-88352577
传真:0519-88351272
Http://www.czshuangjie.com


